|
Diese Beschreibung gilt hauptsächlich für den VOLVO 340 . Bei älteren Modellen(DAF)teilweise Anmerkungen.
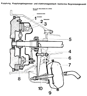
Kupplung.
Jeder Käseelch von DAF 33 -340 mit CVT hat eine Fliehkraftkupplung zum Anfahren. Diese Kupplung arbeitet mit einer normalen Kupplungsscheibe und Fliehgewichten in der Druckplatte. Wenn gas gegeben wird, gehen die Fliehgewichte nach aussen und drücken über einen Hebel die Mitnehmerscheibe an, bis sie kraftschlüssig wird und das Fzg .anfährt .Beim anhalten werden die Fliehgewichte über federn zurückgedrückt und geben die Mitnehmerscheibe frei.
Bitte beachten :immer auf N starten, wenn P eingelegt ist, ist die CVT mechanisch blockiert und die Kupplung rutscht , bis sie verbrannt ist, wenn die Drehzahl mit gezogenem Choke zu hoch ist.
Dies gilt für 340er und Volvo 66 mit Parksperre(ab Mj.76) .Bei den älteren ohne Anlassersperre ist ein starten auch bei eingelegtem gang möglich. immer in N starten. NIE mit eingelegtem gang starten und den wagen mit der bremse halten.da rutscht die Kupplung auch und verbrennt.
Wichtig ist die Einstellung des Spiels zwischen Mitnehmerscheibe und Druckplatte.Wird mit einer Ventillehre zwischen Mitnehmerscheibe und Schwungscheibe gemessen Spiel soll zwischen 0,5 - 0,8 mm betragen. Prüfwert. Wenn es grösser ist, muss die Kupplung nachgestellt werden. Einstellwert 0,5 mm. Zum nachstellen muss die Druckplatte durch herausnehmen von V-förmigen Scheiben ,die unter den Befestigungsschrauben der Druckplatte sind, eingestellt werden. Gemessenes spiel minus zulässiges spiel (0,5) gibt den Wert, um den die dicke der Scheiben vermindert werden muss. Am besten vorher ein paar dünne Scheiben besorgen, um das spiel korrekt einzustellen. Einzeln die Schrauben lösen ,die Scheiben entnehmen, messen und passende einsetzen. Druckplatte nur beiziehen, bis alle Scheiben den neuen wert haben. Wer wert muss bei allen gleich sein, dann erst die druckplatte richtig festziehen. Verzieht sich sonst. wenn keine Scheiben mehr eingebaut werden können um das korrekte Spiel zu erreichen,, ist die Kupplung verschlissen und muss erneuert werden.
Bei den alten DAF ist ein nachstellen der Kupplung nicht möglich, sie haben eine sogenannte Segment-Fliehkraftkupplung, die bei Verschleiß erneuert werden muss. Diese Kupplung fährt zwar wesentlich sanfter an, ist jedoch wesentlich empfindlicher. Besonders bei fzgen, die wenig bewegt werden, rosten die Fliehgewichte gerne fest und die Beläge fallen ab. Zum erneuern der Kupplung bis zum Volvo 66 Immer den Motor ausbauen. Darauf achten das die Durchtriebswelle vorne und nicht hinten getrennt wird.
Wenn das spiel unterschiedlich ist, hängt ein Fliehgewicht. Kupplung komplett erneuern Beim 340 kann die Kupplung bei eingebautem Motor erneuert werden, nur Auspuff, hintere Motorlager ,und Durchtriebswelle ausbauen, dann kann man die Glocke nach lösen des Anlassers abnehmen und die Kupplung erneuern. Beim Einbau je drei 1,75 mm Scheiben als Grundeinstellung unterlegen, dann messen und einstellen . Führungslager und Ausrücklager IMMER mit erneuern. Bei allen DAF und Volvo 66 muss dazu der Motor ausgebaut werden,, da die Durchtriebswelle so nicht ausgebaut werden kann und der Platz zum Ausbau der Getriebeglocke zu gering ist. Dabei das Lager in der Glocke für den Triebling der Durchtriebswelle prüfen. wenn es rauh läuft,erneuern 340 und 66er Volvos haben eine Zusatzkupplung. vor dem Ausbauüberprüfen, das heisst Knopf auf Wählhebel drücken und gas geben, der Kraftschluss muss dann bei ca 2000 umin erst kommen, wenn er normal anfährt, Membrane und elektrische Betätigung prüfen.



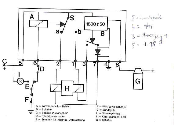
Beim Anfahren sitzen die Riemen vorne ganz innen und hinten ganz aussen. Das ist die Anfahrübersetzung. wenn jetzt losgefahren wird, drücken die Fliehgewichte die vorderen Scheiben nach innen ,der Riemen wandert vorne nach aussen und hinten gegen den Federdruck nach innen. die Übersetzung ändert sich damit durch Veränderung der Riemenscheibendurchmesser. Die Fliehgewichte schalten drehzahlabhängig und werden durch die Vakuummembranen in der Primär unterstützt. Ab 1800 umin bei Fzgen mit Tachorelais oder wenn der Mikroschalter bei den anderen schaltet, werden die Fliehgewichte vom Vakuum unterstützt, damit er schneller hochschalstet .Das schalten geht über das Vierwegeventil, das Fahr-und Bremskammer schaltet .Die Fahrkammerseite begrenzt das Vakuum dann auf 0,4 bar, damit die Membranen nicht überdehnt werden. Deshalb beim beschleunigen bei ca 50 kmh das gas kurz wegnehmen, damit genug Vakuum zum hochschalten da ist .Wenn man bremst, Kickdown gibt oder die Bergbremse betätigt, wird die Fahrkammer belüftet und die Bremskammer schaltet ein. Die CVT schaltet dann bildlich einen gang runter. mit jeder der drei Vorgänge wird die Masse der Fahrkammer weggenommen und die Bremskammer eingeschaltet. Die letzte Ausführung des 340 hat einen Hochdruckschalter am Hauptbremszylinder. Der Schalter unterbricht, wenn die bremse getreten wird und schaltet über die Bremskammer runter, damit die Riemen beim anfahren wieder in der kürzesten Übersetzung sind. Dies gilt auch für die alten DAFs.

Wenn man die CVT richtig fahren will, sollte man drei Vakuum-Messuhren an Motorvakuum, Fahrkammer und Bremskammer anschliessen. Dazu zwei Kontrollampen an Fahr und Bremskammer. Grün an Fahrkammer und gelb an Bremskammer. Das ist die beste Kontrolle und Diagnose.
Während der Fahrt. sieht man dann genau, ob die CVT schaltet oder Vakuumverlust hat.
War Sonderzubehör beim DAF 66 und hat sich sehr bewährt.
Fehlerdiagnose: CVT schaltet nicht hoch, Motor hat zu hohe Drehzahl.
Elektrik von Vierwegeventil und Vakuum prüfen. Wenn man im stand bei N gas gibt, hört man bei 1800 umin das Vierwegeventil klacken, wenn es schaltet. Als erstes prüfen, wenn es nicht schaltet, ob plus von Tachorelais und Masse vom Gaszug da sind. Wenn die Masse fehlt, Bergbremse, Bremsschalter am Hauptbremszylinder und Gaszug überprüfen. Die Masse geht vom Gaszug über Bergbremsschalter und Hauptbremszylinder ans Vierwegeventil. Auch auf die Sicherungen im Sicherungskasten achten. Die Fahnen der Sicherungen brechen gerne und haben dann nur zeitweise Kontakt. Wenn die elektrische Seite in Ordnung ist, Fahr-und Bremskammeranschlüsse an Vierwegeventil einzeln mit Vakuumpumpe aussaugen. Wenn kein Vakuum gehalten wird , Deckel hinten unter der CVT abmachen und die Schläuche links und rechts abziehen und einzeln aussaugen.
Probeweise den Motor auf 1800 umhin bringen, bis die Fahrkammer schaltet, vorher den Anschluß der Fahrkammer abziehen. Wenn kein Vakuum eingesteuert wird,ist der Dichtgummi des Vierwegeventils gerissen. Vierwegeventil ersetzen oder passenden Gummi besorgen. Ist ein häufig auftretender Fehler.
Achtung! Fahr- und Bremskammeranschlüsse zeichnen, dürfen nicht verwechselt werden. sonst fährt er mit zwei verschiedenen Übersetzungen links und rechts.
Wenn beim aussaugen festgestellt wird, das eine Seite undicht ist, Membrane erneuern.
Achtung! Wichtig! die CVT ist einzeln ausgewuchtet. Deshalb IMMER die Lage der Scheiben kennzeichnen,(deckel auch) , bevor eine Demontage stattfindet, wenn etwas versetzt wird, gibt es barbarisch Unwucht.
Vor öffnen des Primärdeckels zum erneuern der Membrane Riemen abmachen ,sonst steht der Deckel auf Spannung. Hinter der Membrane ist Öl. Nach dem erneuern 100ccm atf Type F o. G einfüllen Wenn ältere 66er Probleme mit Unwucht in kaltem zustand haben, das Primäröl hinter den Membranen gegen ATF wechseln, früher wurde SAE 90 eingefüllt. Das kalt zu dick ist. Beim Wechsel der Membrane auch darauf achten, das die Fliehgewichte und die Feder nicht herausfallen. Das öl kann aber auch eindicken. Bei Unwucht im Winter , die nach ca 2-3 km Fahrstrecke verschwindet, Ölwechsel mit ATF in der primär. Schläuche abmachen, Deckel zeichnen und Federring entfernen. jetzt Membrane unten wegbiegen und das öl herauslaufen lassen. Dann die Membrane unten wieder reindrücken, oben wegbiegen und 100ccm ATF pro Seite einfüllen. CVT wieder komplettieren.
Riemenlaufgeräusche Wenn Profilblöcke ausgebrochen sind, immer beide Riemen erneuern. nie zwei verschiedene Riemen montieren. Immer einen gleichen Satz (neu oder gut gebraucht) montieren. die Riemen müssen immer gleichlang sein.
Zahnfußrisse, die nicht bis zum Trägergewebe gehen, sind normal. wenn die risse längs unter den Profilblöcken sind, Riemen erneuern.
Wenn ein Riemen während der fahrt reisst, herausziehen, damit nichts blockiert und weiterfahren. Ist mit einem Riemen noch kurze zeit fahrfähig.
ES MÜSSEN IMMER BEIDE RIEMEN GEWECHSELT WERDEN
Riemenwechsel

Deckel ab und die Schläuche an der Primär abziehen(kennzeichnen).
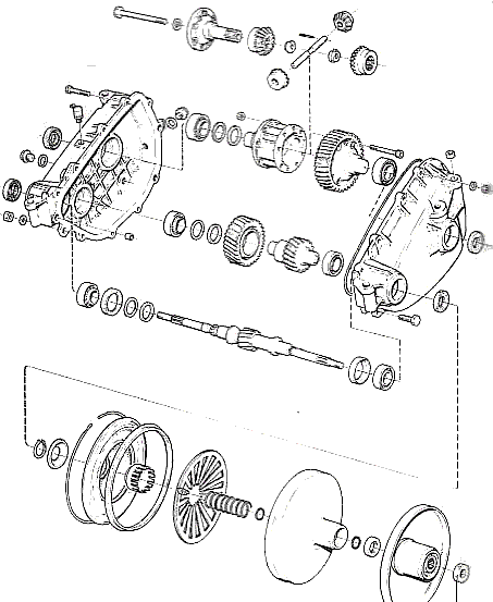
Dann mit Spezialwerkzeug die Sekundärriemenscheiben auseinander drücken und Distanzstück einlegen. Vorsicht mit den Fingern, die Scheiben schnappen zu wie eine Bärenfalle.
Jetzt die Riemen vorne ganz nach innen ziehen und hinten über die Riemenscheibe abdrehen. Zur Montage vorne drauflegen, nach innen ziehen und hinten durch drehen draufziehen. Dann mit Werkzeug spannen und die Distanzstücke herausnehmen. Jetzt mehrere male durchdrehen, bis die Riemen hinten aussen sitzen und dann das Spaltmass einstellen.
Anstelle des Volvo Spezialwerkzeugs kann auch zur Not eine Schraubzwinge mit passenden konischen Holzklötzchen genommen werden. Jedoch strikt darauf achten, das keine Kratzer von Metall auf den Scheiben entstehen, da bitte nur mit holz oder Plastik arbeiten.

Spaltmaß ist die Vorspannung der Remen und wird hinten an der sekundär durch verschieben eingestellt. Das Spaltmaß wird mit einer Fühlerlehre zwischen den beiden Sekundärscheiben links und rechts gemessen. Mit neuen Riemen ist das Spaltmaß meistens zu gross. Die vier Befestigungsschrauben der Sekundär lösen und Sekundär mit der Spannschraube zwischen primär und sekundär verstellen. Bei zu grossem Spaltmass die Sekundär mit der schraube Richtung primär ziehen, bis das spaltmass stimmt. Sollwert 1,2 -1,5 mm. (wert für volvo 340er) Vor dem messen die Riemen einige male durchdrehen, bis sie richtig sitzen.
Die lehre muss saugend zwischen die beiden Scheiben gehen und links und rechts gleich sein. Dann die Sekundär und die Einstellschraube festziehen. Wenn das spaltmass unterschiedlich ist, die grosse Mutter an der Sekundär nachziehen. Anzugsmoment 180-200 nm. Mutter mit chem. Schraubensicherung einsetzen, wenn sie sich gelöst hat. Riemen nach Erneuerung nach 1000 km nachstellen., da sie sich am Anfang überproportional dehnen. Dann alle 10000 km prüfen und, wenn nötig, nachstellen. Achtung! Riemen nicht am Anfang überspannen, um das nachstellen zu sparen. Die werden im Overdrive dann überdehnt und können reisen.
Spaltmaß für ältere Modelle(ohne gewähr)
Volvo-DAF 66 1,5 - 2mm
DAF 55 2-3 mm
DAF 44 2-3 mm
DAF 33 1-1,5 mm
Es kann ein etwas geringeres Spaltmass eingestellt werden , wenn es ca .alle 5000 km kontrolliert wird , da die Werkseinstellung eine Spannungsreserve für 10000 km enthält . Bei Volvo 340 ca 0,8-1,0 mm..Bei geringerem Spaltmaß läuft er schneller bzw. hat geringeren Kraftstoffverbrauch, da der Kraftverlust geringer ist. Wer einmal einen 340er mit frisch gespannten Riemen geschoben hat, versteht das.
Ölwechsel in primär und sekundär alle 40000 km oder alle zwei Jahre.
Bei vorwiegend Kurzstreckenbetrieb und tiefen Aussentemperaturen sollte das normale Öl SAE 90 In der Primär durch ATF Type F-o.G ersetzt werden.Die Sekundär bekommt hypoid 90 oder hypoid 85/w 90.
Eine Spezialität der CVT ist das lösen der Muttern der Sekundär-Riemenscheiben. Wenn die Scheiben hinten etwas Luft in der Verzahnung haben , lösen sich die Muttern bei Schub-Zugbelastung. Entweder mit Schweißpunkt sichern oder Welle hinter den Muttern durchbohren und mit Splint sichern.
Vorher Anzugsmoment 180-200 nm
Und nie die CVT nass oder gar eingesalzen für längere zeit abstellen. Das gibt Korrosion an den hartverchromten Laufflächen der Riemenscheiben. Wenn die erst mal Rostnarben haben, raspeln die regelrecht die Riemen runter, und die verschiebbaren teile der Sekundär-riemenscheiben können dabei auch festrosten.
Wenn der Anlasser trotz eingelegtem N oder P nicht geht, Fehler an der kontaktplatte am Wählhebel. Die Kontaktplatte kann nur komplett erneuert werden.
So ,das war CVT.
gruss uli
